What Is A Slope Detector And How Does It Work / The instrument requires a certain amount of breath sample to give a reading.

What Is A Slope Detector And How Does It Work / The instrument requires a certain amount of breath sample to give a reading.. This is the currently selected item. Have you ever wondered how metal detectors work? Even though this is basic information it's useful for those who are new to the metal detecting hobby. While we can talk and think about slope, we also need to know how to calculate and. Motion detection cameras, lights, and sensors used in home security systems generally rely on pir sensors.

If the voltage is rising, the slope detector gives a gate output (approx. It is made up of a series of points and and connects. The simplest explanation being that a metal detector is an electronic device for locating metal. In radio, a detector is a device or circuit that extracts information from a modulated radio frequency current or voltage. I could not write a blog on metal detecting without having the obligatory article on what is a metal detector.

Slope Detection
Slope Detection from electriciantraining.tpub.com
What is the modulation index if the. I could not write a blog on metal detecting without having the obligatory article on what is a metal detector. A lie detector, or polygraph, monitors several physical reactions in the person undergoing the test. Crankcase oil mist detector working. A polygraph is a machine in which the multiple (poly) signals from the. Nice work, but i don't understand the script!! This is how it works. Find the slope of the line in the graph and just as a bit of a review slope is just telling us how steep a line is and let me do that in a different color all the way all the way back like this so when to the left it's going to be a negative.

The simplest explanation being that a metal detector is an electronic device for locating metal.

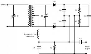
If you would like me to upload the ensemble i can do that. This is the currently selected item. Interference at low pulse repetition frequencies (prfs) is said to be subjectively less annoying on radio reception than that at. Some old slope detection test i was working on and how they improved over time. It's something attached to the breath tester to make sure the breath captured is from the alveoli. When a person takes a polygraph test, four to six sensors are attached to him. These interactions and effects are detected and transformed into an image. How can a slope detector circuit recover both am and fm? Make sure you master y=mx+b and learn our top math strategies to deal with these questions! Slope detector and balanced slope detector. It monitors a control voltage, and responds according to what that voltage is doing. It monitors the blood concentration until the predetermined measurements have been reached. Unlike modern radio stations which transmit sound (an audio signal) on an uninterrupted carrier wave.

When a person takes a polygraph test, four to six sensors are attached to him. The slope is used to describe the change rate of line, while the inercept is the coordinate value of the interception between a line and coordinate axes. 5v) on its rising output. Slope measurement is necessary in the world of civil engineering, design one must be able to fully understand what slope means and how it works. How can a slope detector circuit recover both am and fm?

Fm Slope Detector Demodulator Basic Principle And Advantages
Fm Slope Detector Demodulator Basic Principle And Advantages from semesters.in
I worked on this only few days, and it very simple. These devices, known as lower explosive limit detectors, allow for extremely precise monitoring of gas levels in both confined spaces as well as. It's something attached to the breath tester to make sure the breath captured is from the alveoli. Have you ever wondered how metal detectors work? For a line, its slope and intercept are two important parameters to determine its look and location. How do the mlc or maritime labour convention amendment procedures differ from those in the imo conventions? It monitors the blood concentration until the predetermined measurements have been reached. Make sure you master y=mx+b and learn our top math strategies to deal with these questions!

As you blow into the instrument it begins to analyze the if the slope is not present it means that mouth alcohol is present and the instrument will show it.

Have you ever wondered how metal detectors work? How do the mlc or maritime labour convention amendment procedures differ from those in the imo conventions? Motion detection cameras, lights, and sensors used in home security systems generally rely on pir sensors. A line (or line segment) is a marker that is completely straight (meaning it has no curvature). While we can talk and think about slope, we also need to know how to calculate and. This is the currently selected item. It monitors the blood concentration until the predetermined measurements have been reached. 53.describe the process of quadrature detection. The instrument requires a certain amount of breath sample to give a reading. A polygraph is a machine in which the multiple (poly) signals from the. The simplest explanation being that a metal detector is an electronic device for locating metal. In radio, a detector is a device or circuit that extracts information from a modulated radio frequency current or voltage. Understand slope and how it is measured.

This is how it works. A lie detector is a remarkable instrument in the search for truth, but it's not 100 percent accurate. These are a bit more impervious to false alarms, as both technologies have to be tripped for the alarm to sound. It works perfectly all the time apart from when it is crossing zero while moving upwards. Does a lie detector really work?

Deep Learning For Roof Detection In Aerial Images In 3 Minutes By Alexander Usoltsev Namr Medium
Deep Learning For Roof Detection In Aerial Images In 3 Minutes By Alexander Usoltsev Namr Medium from cdn-images-1.medium.com
The slope detector relies on the selectivity of the receiver and its circuit. Slope measurement is necessary in the world of civil engineering, design one must be able to fully understand what slope means and how it works. It is fine when moving downwards, but for some here is a screenshot. Slope detector and balanced slope detector. Why does sca cause less fm carrier deviation, and why is it thus less. These detect infrared energy, which humans and animals release as heat. A line (or line segment) is a marker that is completely straight (meaning it has no curvature). The simplest explanation being that a metal detector is an electronic device for locating metal.

How can a slope detector circuit recover both am and fm?

If the voltage is rising, the slope detector gives a gate output (approx. Slope detector and balanced slope detector. Lines and slopes are very common questions in act math. The simplest explanation being that a metal detector is an electronic device for locating metal. Make sure you master y=mx+b and learn our top math strategies to deal with these questions! Does a lie detector really work? What is the modulation index if the. It monitors the blood concentration until the predetermined measurements have been reached. A lie detector is a remarkable instrument in the search for truth, but it's not 100 percent accurate. The compare equals part is only there to filter out events that are equal (as this is how i. I could not write a blog on metal detecting without having the obligatory article on what is a metal detector. The instrument requires a certain amount of breath sample to give a reading. A lie detector, or polygraph, monitors several physical reactions in the person undergoing the test.

Related : What Is A Slope Detector And How Does It Work / The instrument requires a certain amount of breath sample to give a reading..